Подпишись
Узнай первый о скидках и новостях!
Особенности разработки схемы движения по территории предприятия
Гасзнак
+7 (495) 649- 61-31
zakaz12@gasznak.ru
Головинское шоссе, 5 , Бизнес-центр «Водный», офис 6025
125212
Москва
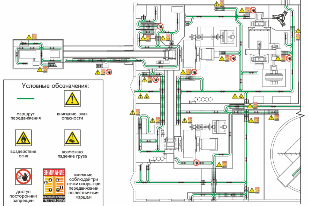
Компания ГАСЗНАК занимается разработкой и изготовлением схем движения по территории предприятия, которые обеспечивают безопасность и удобство передвижения транспортных средств и пешеходов на производственной территории.
Особенности разработки схемы движения по территории предприятия от ГАСЗНАК:
Соответствие нормативам
Разработка схемы выполняется с учетом требований Приказа Минтруда России от 23.06.2016 №310н, который обязывает работодателя создавать схемы движения транспортных средств и пешеходов на территории организации.
Содержание схемы
На схеме указываются расположение зданий, стоянок автотранспорта, места разгрузки и погрузки, пожарные водоемы, гидранты, щиты, а также место расположения самой схемы для удобства ориентации водителей и работников.

Указание направлений движения
Стрелками обозначаются направления движения транспорта, пути подъезда к зданиям и выезда с территории предприятия, что снижает риск аварий и повышает безопасность.
Материалы и размеры
Схемы изготавливаются из долговечных материалов — пластика ПВХ толщиной 4 мм, оцинкованного металла с полимерным покрытием, с использованием световозвращающих пленок для улучшения видимости в темное время суток. Размеры подбираются в зависимости от площади предприятия (например, 1100х1100 мм, 600х850 мм и другие).
Индивидуальный подход
Компания выполняет индивидуальную отрисовку схем по техническому заданию заказчика, учитывая специфику и особенности территории.

Размещение схем
Схемы размещаются на видных местах при въезде на территорию предприятия или перед входом в здания, что обеспечивает информирование всех сотрудников и посетителей.
Дополнительные инструкции для работников
ГАСЗНАК также разрабатывает инструкции и правила передвижения по территории и производственным помещениям, направленные на предотвращение несчастных случаев и повышение культуры безопасности.
Как правильно выбрать масштаб и материалы для схемы движения на предприятии
Выбор масштабаИсходя из размеров территории и формата носителя
Масштаб должен позволять уместить всю территорию предприятия на выбранном носителе (плакат, табло, щит) при сохранении читаемости деталей. Для небольших участков (например, отдельное здание, парковка) обычно используют масштаб 1:500 или 1:200.
Стандартные масштабы по ГОСТ
В соответствии с ГОСТ 2.302-68 и ГОСТ 21.401-88 для планов и схем применяются масштабы 1:50, 1:100, 1:200, 1:500 и т.д.
Для крупных территорий выбирают более мелкие масштабы (1:1000 и меньше), чтобы уместить всю схему на одном листе.
Удобочитаемость и детализация
Чем крупнее масштаб (например, 1:50), тем больше деталей можно показать, но схема будет занимать больше места. Для общей ориентации по территории чаще выбирают 1:200 или 1:500. Если нужна детализация отдельных участков, можно делать фрагменты в увеличенном масштабе (например, 1:50).

Обозначение масштаба
Масштаб обязательно указывается на схеме (например, М 1:200) для корректного восприятия и измерений.
Выбор материалов для схемы движения
Долговечность и устойчивость к внешним воздействиям
Схемы размещаются на улице или в производственных помещениях, поэтому материалы должны быть влагостойкими, устойчивыми к ультрафиолету, перепадам температур, механическим повреждениям.

Популярные материалы
Пластик ПВХ толщиной 3-4 мм — легкий, прочный, влагостойкий, подходит для наружного и внутреннего использования.
Алюминиевые композитные панели (алюкобонд) толщиной 3 мм — долговечные, устойчивы к коррозии и механическим воздействиям.
Баннерная ткань с ламинацией — гибкий вариант для больших размеров, устойчив к погодным условиям.
Поверхность и печать
Используется устойчивое к выцветанию цифровое или шелкографическое нанесение, часто с ламинацией для защиты от царапин и влаги.
Размеры схемы
Размер выбирается в зависимости от площади предприятия и места установки. Например, типичные размеры — 600×850 мм, 1100×1100 мм, 1200×1600 мм и больше

Выбор масштаба и материалов должен обеспечивать удобство восприятия, долговечность и соответствие нормативным требованиям, что гарантирует безопасность и эффективную навигацию по территории предприятия.
| Критерий | Рекомендации |
|---|---|
| Масштаб | 1:200–1:500 для общей схемы; 1:50 для деталей |
| Материал | ПВХ пластик 3-4 мм, алюкобонд 3 мм, баннер с ламинацией |
| Устойчивость | Влагостойкость, УФ-стабильность, механическая прочность |
| Размер | Подбирается под площадь территории и место монтажа |
| Обозначение масштаба | Обязательно указывать (например, М 1:200) |
Вы можете оформить заказ, и наши специалисты свяжуться с вами или
оставить заявку по телефону: +7 800 500 19 53 или e-mail: zakaz@gasznak.ru
26 мая 2025
Компания ГАСЗНАК занимается разработкой и изготовлением схем движения по территории предприятия, которые обеспечивают безопасность и удобство передвижения транспортных средств и пешеходов на производственной территории.
Особенности разработки схемы движения по территории предприятия от ГАСЗНАК:
Соответствие нормативам
Разработка схемы выполняется с учетом требований Приказа Минтруда России от 23.06.2016 №310н, который обязывает работодателя создавать схемы движения транспортных средств и пешеходов на территории организации.
Содержание схемы
На схеме указываются расположение зданий, стоянок автотранспорта, места разгрузки и погрузки, пожарные водоемы, гидранты, щиты, а также место расположения самой схемы для удобства ориентации водителей и работников.

Указание направлений движения
Стрелками обозначаются направления движения транспорта, пути подъезда к зданиям и выезда с территории предприятия, что снижает риск аварий и повышает безопасность.
Материалы и размеры
Схемы изготавливаются из долговечных материалов — пластика ПВХ толщиной 4 мм, оцинкованного металла с полимерным покрытием, с использованием световозвращающих пленок для улучшения видимости в темное время суток. Размеры подбираются в зависимости от площади предприятия (например, 1100х1100 мм, 600х850 мм и другие).
Индивидуальный подход
Компания выполняет индивидуальную отрисовку схем по техническому заданию заказчика, учитывая специфику и особенности территории.

Размещение схем
Схемы размещаются на видных местах при въезде на территорию предприятия или перед входом в здания, что обеспечивает информирование всех сотрудников и посетителей.
Дополнительные инструкции для работников
ГАСЗНАК также разрабатывает инструкции и правила передвижения по территории и производственным помещениям, направленные на предотвращение несчастных случаев и повышение культуры безопасности.
Как правильно выбрать масштаб и материалы для схемы движения на предприятии
Выбор масштабаИсходя из размеров территории и формата носителя
Масштаб должен позволять уместить всю территорию предприятия на выбранном носителе (плакат, табло, щит) при сохранении читаемости деталей. Для небольших участков (например, отдельное здание, парковка) обычно используют масштаб 1:500 или 1:200.
Стандартные масштабы по ГОСТ
В соответствии с ГОСТ 2.302-68 и ГОСТ 21.401-88 для планов и схем применяются масштабы 1:50, 1:100, 1:200, 1:500 и т.д.
Для крупных территорий выбирают более мелкие масштабы (1:1000 и меньше), чтобы уместить всю схему на одном листе.
Удобочитаемость и детализация
Чем крупнее масштаб (например, 1:50), тем больше деталей можно показать, но схема будет занимать больше места. Для общей ориентации по территории чаще выбирают 1:200 или 1:500. Если нужна детализация отдельных участков, можно делать фрагменты в увеличенном масштабе (например, 1:50).

Обозначение масштаба
Масштаб обязательно указывается на схеме (например, М 1:200) для корректного восприятия и измерений.
Выбор материалов для схемы движения
Долговечность и устойчивость к внешним воздействиям
Схемы размещаются на улице или в производственных помещениях, поэтому материалы должны быть влагостойкими, устойчивыми к ультрафиолету, перепадам температур, механическим повреждениям.

Популярные материалы
Пластик ПВХ толщиной 3-4 мм — легкий, прочный, влагостойкий, подходит для наружного и внутреннего использования.
Алюминиевые композитные панели (алюкобонд) толщиной 3 мм — долговечные, устойчивы к коррозии и механическим воздействиям.
Баннерная ткань с ламинацией — гибкий вариант для больших размеров, устойчив к погодным условиям.
Поверхность и печать
Используется устойчивое к выцветанию цифровое или шелкографическое нанесение, часто с ламинацией для защиты от царапин и влаги.
Размеры схемы
Размер выбирается в зависимости от площади предприятия и места установки. Например, типичные размеры — 600×850 мм, 1100×1100 мм, 1200×1600 мм и больше

Выбор масштаба и материалов должен обеспечивать удобство восприятия, долговечность и соответствие нормативным требованиям, что гарантирует безопасность и эффективную навигацию по территории предприятия.
| Критерий | Рекомендации |
|---|---|
| Масштаб | 1:200–1:500 для общей схемы; 1:50 для деталей |
| Материал | ПВХ пластик 3-4 мм, алюкобонд 3 мм, баннер с ламинацией |
| Устойчивость | Влагостойкость, УФ-стабильность, механическая прочность |
| Размер | Подбирается под площадь территории и место монтажа |
| Обозначение масштаба | Обязательно указывать (например, М 1:200) |
Вернуться к списку
Поделиться ссылкой
Товар добавлен в корзину
Заполните поле "Телефон"
Заполните поле "Телефон"
×
Ваш город -
Омск?